-
Главная
- Гидростанции с электроприводом
Гидростанции с электроприводом
Показать Сайдбар
Каталог
Трубопроводная арматура
- Трубные соединения (Адаптеры по DIN 2353/ISO8434-1)
- Штуцеры и адаптеры для РВД
- Зажимы для гидравлических труб
- Труба прецизионная
Системы смазки
Шланги и Рукава высокого давления
- Стандартные шланги высокого давления
- Специальные шланги высокого давления
- Термопластиковые рукава
- Тефлоновые рукава (PTFE)
Фитинги и муфты для РВД
Защита для РВД
- Гильза обжимная
- Пластиковая защита для РВД
- Металлическая защитная спираль для РВД
- Текстильная защита для РВД
- Огнеупорная защита для РВД
Элементы контроля и диагностики гидросистем
- Манометры
- Контрольные точки
- Микрошланги
- Муфты и фитинги для микрошлангов
- Адапторы для манометров
- Краны "anti-shock" для манометров
- Расходомеры гидравлические
- Указатели уровня масла и температуры
- Диагностические наборы
Уплотнения
- Кольца USIT
- Кольцо резиновое для ORFS
- Кольца круглого сечения ГОСТ 9833-73
- Наборы уплотнительных колец O-RING
Быстроразъемные соединения (БРС)
- БРС ISO 7241-1 A (ISO A)
- БРС ISO 7241-1 B (ISO B)
- Шариковые БРС специальных серий
- БРС FIRG/FLAT FACE ISO 16028
- БРС FLAT FACE различных серий
- БРС на высокое давление 700 bar (серия HPA)
- Резьбовые БРС различных серий
- Заглушки для БРС
Элементы гидросистем
- Краны и диверторы
- Клапана
- Плиты гидравлические
- Гидрораспределители
- Колокола и муфты
- Гидробаки
- Фильтры и фильтроэлементы
- Теплообменники
- Гидроаккумуляторы
- Насосы
Промышленные рукава
Промышленная арматура
Хомуты
Гидростанции и станции фильтрации и перекачки
Показать Сайдбар
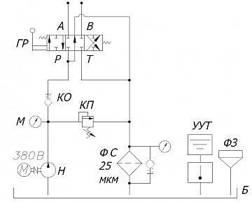
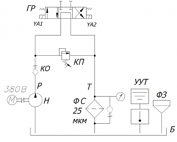
Гидростанция ГС-80/4/6-320/1Р-фикс/С-ШУ Объекты каталога Основные параметры Поле title Гидростанция ГС-80/4/6-320/1Р-фикс/С-ШУ Поле h1 Гидростанция ГС-80/4/6-320/1Р-фикс/С-ШУ Ценовые свойства Цена 0 Склады Общее количество на складах 0 Основные характеристики Старая цена 0 Описание <p>Гидростанция (маслостанция) - это насосная установка, являющаяся источником гидравлической мощности с нерегулируемой подачей рабочей жидкости (РЖ) от электродвигателя переменного тока в комплекте с направляющим и регулирующим гидроаппаратом в соответствии с гидравлической схемой. Дистанционное электромагнитное управление потоком рабочей жидкости гидростанции осуществляется от источника переменного тока напряжением 220В или постоянного тока 24В.</p> оригинальная цена 0 Изображения Картинка /images/cms/data/import_files/c8/gidrostanciya_gs-80_4_6-320_1r-fiks_s-shu.jpg 1C: Специфические свойства Выгружать на сайт Производитель Максимальное рабочее давление (bar) Электродвигатель (кВт) Подача (л/мин) Объем гидробака (л) 1C: Общие свойства Идентификатор каталога 1С e866f885-8724-41d6-bbdc-e2414a10ed0c Идентификатор в 1С c8d1792d-545f-11e4-a388-642737c1fcdf
Гидростанция ГС-80/4/6-320/1Р-фикс/С-ШУ
В наличии
Цена: По запросу
Гидростанция ГС120-7,5/34-115/64(24)/ФС Объекты каталога Основные параметры Поле title Гидростанция ГС120-7,5/34-115/64(24)/ФС Поле h1 Гидростанция ГС120-7,5/34-115/64(24)/ФС Ценовые свойства Цена 0 Склады Общее количество на складах 0 Основные характеристики Старая цена 0 Описание Гидростанция (маслостанция) - это насосная установка, являющаяся источником гидравлической мощности с нерегулируемой подачей рабочей жидкости (РЖ) от электродвигателя переменного тока в комплекте с направляющим и регулирующим гидроаппаратом в соответствии с гидравлической схемой. Дистанционное электромагнитное управление потоком рабочей жидкости гидростанции осуществляется от источника переменного тока напряжением 220В или постоянного тока 24В. оригинальная цена 0 Изображения Картинка /images/cms/data/import_files/f9/gidrostanciya_gs120-7_5_34-115_64_24_fs.jpg 1C: Специфические свойства Выгружать на сайт Производитель Максимальное рабочее давление (bar) Электродвигатель (кВт) Подача (л/мин) Объем гидробака (л) 1C: Общие свойства Идентификатор каталога 1С e866f885-8724-41d6-bbdc-e2414a10ed0c Идентификатор в 1С f9fea318-e5de-11ee-9fe9-00155d00c800
Гидростанция ГС120-7,5/34-115/64(24)/ФС
В наличии
Цена: По запросу
Гидростанция ГС120-7,5/23-170/64(24)/ФС Объекты каталога Основные параметры Поле title Гидростанция ГС120-7,5/23-170/64(24)/ФС Поле h1 Гидростанция ГС120-7,5/23-170/64(24)/ФС Ценовые свойства Цена 0 Склады Общее количество на складах 0 Основные характеристики Старая цена 0 Описание Гидростанция (маслостанция) - это насосная установка, являющаяся источником гидравлической мощности с нерегулируемой подачей рабочей жидкости (РЖ) от электродвигателя переменного тока в комплекте с направляющим и регулирующим гидроаппаратом в соответствии с гидравлической схемой. Дистанционное электромагнитное управление потоком рабочей жидкости гидростанции осуществляется от источника переменного тока напряжением 220В или постоянного тока 24В. оригинальная цена 0 Изображения Картинка /images/cms/data/import_files/f9/gidrostanciya_gs120-7_5_23-170_64_24_fs.jpg 1C: Специфические свойства Выгружать на сайт Производитель Максимальное рабочее давление (bar) Электродвигатель (кВт) Подача (л/мин) Объем гидробака (л) 1C: Общие свойства Идентификатор каталога 1С e866f885-8724-41d6-bbdc-e2414a10ed0c Идентификатор в 1С f9802886-e5dd-11ee-9fe9-00155d00c800
Гидростанция ГС120-7,5/23-170/64(24)/ФС
В наличии
Цена: По запросу
Гидростанция ГС120-5,5(3000)/23-120/1Р40/ФС Объекты каталога Основные параметры Поле title Гидростанция ГС120-5,5(3000)/23-120/1Р40/ФС Поле h1 Гидростанция ГС120-5,5(3000)/23-120/1Р40/ФС Ценовые свойства Цена 0 Склады Общее количество на складах 0 Основные характеристики Старая цена 0 Описание Гидростанция (маслостанция) - это насосная установка, являющаяся источником гидравлической мощности с нерегулируемой подачей рабочей жидкости (РЖ) от электродвигателя переменного тока в комплекте с направляющим и регулирующим гидроаппаратом в соответствии с гидравлической схемой. Дистанционное электромагнитное управление потоком рабочей жидкости гидростанции осуществляется от источника переменного тока напряжением 220В или постоянного тока 24В. оригинальная цена 0 Изображения Картинка /images/cms/data/import_files/4b/gidrostanciya_gs120-5_5_3000_23-120_1r40_fs.jpg 1C: Специфические свойства Выгружать на сайт Производитель Максимальное рабочее давление (bar) Электродвигатель (кВт) Подача (л/мин) Объем гидробака (л) 1C: Общие свойства Идентификатор каталога 1С e866f885-8724-41d6-bbdc-e2414a10ed0c Идентификатор в 1С 4b0b6815-e5dd-11ee-9fe9-00155d00c800
Гидростанция ГС120-5,5(3000)/23-120/1Р40/ФС
В наличии
Цена: По запросу
Гидростанция ГС80-5,5(3000)/18-160/1Р40/ФС Объекты каталога Основные параметры Поле title Гидростанция ГС80-5,5(3000)/18-160/1Р40/ФС Поле h1 Гидростанция ГС80-5,5(3000)/18-160/1Р40/ФС Ценовые свойства Цена 0 Склады Общее количество на складах 0 Основные характеристики Старая цена 0 Описание Гидростанция (маслостанция) - это насосная установка, являющаяся источником гидравлической мощности с нерегулируемой подачей рабочей жидкости (РЖ) от электродвигателя переменного тока в комплекте с направляющим и регулирующим гидроаппаратом в соответствии с гидравлической схемой. Дистанционное электромагнитное управление потоком рабочей жидкости гидростанции осуществляется от источника переменного тока напряжением 220В или постоянного тока 24В. оригинальная цена 0 Изображения Картинка /images/cms/data/import_files/2a/gidrostanciya_gs80-5_5_3000_18-160_1r40_fs.jpg 1C: Специфические свойства Выгружать на сайт Производитель Максимальное рабочее давление (bar) Электродвигатель (кВт) Подача (л/мин) Объем гидробака (л) 1C: Общие свойства Идентификатор каталога 1С e866f885-8724-41d6-bbdc-e2414a10ed0c Идентификатор в 1С 2ac5adde-e5dc-11ee-9fe9-00155d00c800
Гидростанция ГС80-5,5(3000)/18-160/1Р40/ФС
В наличии
Цена: По запросу
Гидростанция ГС80-5,5(3000)/16-180/64(24)/ФС Объекты каталога Основные параметры Поле title Гидростанция ГС80-5,5(3000)/16-180/64(24)/ФС Поле h1 Гидростанция ГС80-5,5(3000)/16-180/64(24)/ФС Ценовые свойства Цена 0 Склады Общее количество на складах 0 Основные характеристики Старая цена 0 Описание Гидростанция (маслостанция) - это насосная установка, являющаяся источником гидравлической мощности с нерегулируемой подачей рабочей жидкости (РЖ) от электродвигателя переменного тока в комплекте с направляющим и регулирующим гидроаппаратом в соответствии с гидравлической схемой. Дистанционное электромагнитное управление потоком рабочей жидкости гидростанции осуществляется от источника переменного тока напряжением 220В или постоянного тока 24В. оригинальная цена 0 Изображения Картинка /images/cms/data/import_files/60/gidrostanciya_gs80-5_5_3000_16-180_64_24_fs.jpg 1C: Специфические свойства Выгружать на сайт Производитель Максимальное рабочее давление (bar) Электродвигатель (кВт) Подача (л/мин) Объем гидробака (л) 1C: Общие свойства Идентификатор каталога 1С e866f885-8724-41d6-bbdc-e2414a10ed0c Идентификатор в 1С 6010f253-e5db-11ee-9fe9-00155d00c800
Гидростанция ГС80-5,5(3000)/16-180/64(24)/ФС
В наличии
Цена: По запросу
Гидростанция ГС60-4/12-170/64(24)/ФС Объекты каталога Основные параметры Поле title Гидростанция ГС60-4/12-170/64(24)/ФС Поле h1 Гидростанция ГС60-4/12-170/64(24)/ФС Ценовые свойства Цена 0 Склады Общее количество на складах 0 Основные характеристики Старая цена 0 Описание Гидростанция (маслостанция) - это насосная установка, являющаяся источником гидравлической мощности с нерегулируемой подачей рабочей жидкости (РЖ) от электродвигателя переменного тока в комплекте с направляющим и регулирующим гидроаппаратом в соответствии с гидравлической схемой. Дистанционное электромагнитное управление потоком рабочей жидкости гидростанции осуществляется от источника переменного тока напряжением 220В или постоянного тока 24В. оригинальная цена 0 Изображения Картинка /images/cms/data/import_files/21/gidrostanciya_gs60-4_12-170_64_24_fs.jpg 1C: Специфические свойства Выгружать на сайт Производитель Максимальное рабочее давление (bar) Электродвигатель (кВт) Подача (л/мин) Объем гидробака (л) 1C: Общие свойства Идентификатор каталога 1С e866f885-8724-41d6-bbdc-e2414a10ed0c Идентификатор в 1С 21ef52b7-e5ca-11ee-9fe9-00155d00c800
Гидростанция ГС60-4/12-170/64(24)/ФС
В наличии
Цена: По запросу
Гидростанция ГС60-4(3000)/10-210/64(24)/ФС Объекты каталога Основные параметры Поле title Гидростанция ГС60-4(3000)/10-210/64(24)/ФС Поле h1 Гидростанция ГС60-4(3000)/10-210/64(24)/ФС Ценовые свойства Цена 0 Склады Общее количество на складах 0 Основные характеристики Старая цена 0 Описание Гидростанция (маслостанция) - это насосная установка, являющаяся источником гидравлической мощности с нерегулируемой подачей рабочей жидкости (РЖ) от электродвигателя переменного тока в комплекте с направляющим и регулирующим гидроаппаратом в соответствии с гидравлической схемой. Дистанционное электромагнитное управление потоком рабочей жидкости гидростанции осуществляется от источника переменного тока напряжением 220В или постоянного тока 24В. оригинальная цена 0 Изображения Картинка /images/cms/data/import_files/38/gidrostanciya_gs60-4_3000_10-210_64_24_fs.jpg 1C: Специфические свойства Выгружать на сайт Производитель Максимальное рабочее давление (bar) Электродвигатель (кВт) Подача (л/мин) Объем гидробака (л) 1C: Общие свойства Идентификатор каталога 1С e866f885-8724-41d6-bbdc-e2414a10ed0c Идентификатор в 1С 3864ee6c-e5c9-11ee-9fe9-00155d00c800
Гидростанция ГС60-4(3000)/10-210/64(24)/ФС
В наличии
Цена: По запросу
Гидростанция ГС60-5,5(3000)/18-160/64(24)/ФС Объекты каталога Основные параметры Поле title Гидростанция ГС60-5,5(3000)/18-160/64(24)/ФС Поле h1 Гидростанция ГС60-5,5(3000)/18-160/64(24)/ФС Ценовые свойства Цена 0 Склады Общее количество на складах 0 Основные характеристики Старая цена 0 Описание Гидростанция (маслостанция) - это насосная установка, являющаяся источником гидравлической мощности с нерегулируемой подачей рабочей жидкости (РЖ) от электродвигателя переменного тока в комплекте с направляющим и регулирующим гидроаппаратом в соответствии с гидравлической схемой. Дистанционное электромагнитное управление потоком рабочей жидкости гидростанции осуществляется от источника переменного тока напряжением 220В или постоянного тока 24В. оригинальная цена 0 Изображения Картинка /images/cms/data/import_files/41/gidrostanciya_gs60-5_5_3000_18-160_64_24_fs.jpg 1C: Специфические свойства Выгружать на сайт Производитель Максимальное рабочее давление (bar) Электродвигатель (кВт) Подача (л/мин) Объем гидробака (л) 1C: Общие свойства Идентификатор каталога 1С e866f885-8724-41d6-bbdc-e2414a10ed0c Идентификатор в 1С 41603470-e5c8-11ee-9fe9-00155d00c800
Гидростанция ГС60-5,5(3000)/18-160/64(24)/ФС
В наличии
Цена: По запросу
Гидростанция ГС60-4/16-130/64(24)/ФС Объекты каталога Основные параметры Поле title Гидростанция ГС60-4/16-130/64(24)/ФС Поле h1 Гидростанция ГС60-4/16-130/64(24)/ФС Ценовые свойства Цена 0 Склады Общее количество на складах 0 Основные характеристики Старая цена 0 Описание Гидростанция (маслостанция) - это насосная установка, являющаяся источником гидравлической мощности с нерегулируемой подачей рабочей жидкости (РЖ) от электродвигателя переменного тока в комплекте с направляющим и регулирующим гидроаппаратом в соответствии с гидравлической схемой. Дистанционное электромагнитное управление потоком рабочей жидкости гидростанции осуществляется от источника переменного тока напряжением 220В или постоянного тока 24В. оригинальная цена 0 Изображения Картинка /images/cms/data/import_files/f8/gidrostanciya_gs60-4_16-130_64_24_fs.jpg 1C: Специфические свойства Выгружать на сайт Производитель Максимальное рабочее давление (bar) Электродвигатель (кВт) Подача (л/мин) Объем гидробака (л) 1C: Общие свойства Идентификатор каталога 1С e866f885-8724-41d6-bbdc-e2414a10ed0c Идентификатор в 1С f8805b9a-e5c6-11ee-9fe9-00155d00c800
Гидростанция ГС60-4/16-130/64(24)/ФС
В наличии
Цена: По запросу
Гидростанция ГС40-4/12-170/64(24)/ФС Объекты каталога Основные параметры Поле title Гидростанция ГС40-4/12-170/64(24)/ФС Поле h1 Гидростанция ГС40-4/12-170/64(24)/ФС Ценовые свойства Цена 0 Склады Общее количество на складах 0 Основные характеристики Старая цена 0 Описание Гидростанция (маслостанция) - это насосная установка, являющаяся источником гидравлической мощности с нерегулируемой подачей рабочей жидкости (РЖ) от электродвигателя переменного тока в комплекте с направляющим и регулирующим гидроаппаратом в соответствии с гидравлической схемой. Дистанционное электромагнитное управление потоком рабочей жидкости гидростанции осуществляется от источника переменного тока напряжением 220В или постоянного тока 24В. оригинальная цена 0 Изображения Картинка /images/cms/data/import_files/b9/gidrostanciya_gs40-4_12-170_64_24_fs.jpg 1C: Специфические свойства Выгружать на сайт Производитель Максимальное рабочее давление (bar) Электродвигатель (кВт) Подача (л/мин) Объем гидробака (л) 1C: Общие свойства Идентификатор каталога 1С e866f885-8724-41d6-bbdc-e2414a10ed0c Идентификатор в 1С b9e27b51-e52c-11ee-9fe9-00155d00c800
Гидростанция ГС40-4/12-170/64(24)/ФС
В наличии
Цена: По запросу
Гидростанция ГС40-3/12-130/64(230)/ФВ Объекты каталога Основные параметры Поле title Гидростанция ГС40-3/12-130/64(230)/ФВ Поле h1 Гидростанция ГС40-3/12-130/64(230)/ФВ Ценовые свойства Цена 0 Склады Общее количество на складах 0 Основные характеристики Старая цена 0 Описание Гидростанция (маслостанция) - это насосная установка, являющаяся источником гидравлической мощности с нерегулируемой подачей рабочей жидкости (РЖ) от электродвигателя переменного тока в комплекте с направляющим и регулирующим гидроаппаратом в соответствии с гидравлической схемой. Дистанционное электромагнитное управление потоком рабочей жидкости гидростанции осуществляется от источника переменного тока напряжением 220В или постоянного тока 24В. оригинальная цена 0 Изображения Картинка /images/cms/data/import_files/f1/gidrostanciya_gs40-3_12-130_64_230_fv.jpg 1C: Специфические свойства Выгружать на сайт Производитель Максимальное рабочее давление (bar) Электродвигатель (кВт) Подача (л/мин) Объем гидробака (л) 1C: Общие свойства Идентификатор каталога 1С e866f885-8724-41d6-bbdc-e2414a10ed0c Идентификатор в 1С f127a9a0-e524-11ee-9fe9-00155d00c800
Гидростанция ГС40-3/12-130/64(230)/ФВ
В наличии
Цена: По запросу
Гидростанция ГС40-3/10-150/1Р40/ФС Объекты каталога Основные параметры Поле title Гидростанция ГС40-3/10-150/1Р40/ФС Поле h1 Гидростанция ГС40-3/10-150/1Р40/ФС Ценовые свойства Цена 0 Склады Общее количество на складах 0 Основные характеристики Старая цена 0 Описание Гидростанция (маслостанция) - это насосная установка, являющаяся источником гидравлической мощности с нерегулируемой подачей рабочей жидкости (РЖ) от электродвигателя переменного тока в комплекте с направляющим и регулирующим гидроаппаратом в соответствии с гидравлической схемой. Дистанционное электромагнитное управление потоком рабочей жидкости гидростанции осуществляется от источника переменного тока напряжением 220В или постоянного тока 24В. оригинальная цена 0 Изображения Картинка /images/cms/data/import_files/ca/gidrostanciya_gs40-3_10-150_1r40_fs.jpg 1C: Специфические свойства Выгружать на сайт Производитель Максимальное рабочее давление (bar) Электродвигатель (кВт) Подача (л/мин) Объем гидробака (л) 1C: Общие свойства Идентификатор каталога 1С e866f885-8724-41d6-bbdc-e2414a10ed0c Идентификатор в 1С ca0eee09-e522-11ee-9fe9-00155d00c800
Гидростанция ГС40-3/10-150/1Р40/ФС
В наличии
Цена: По запросу
Гидростанция ГС40-3/8-190/64(24)/ФС Объекты каталога Основные параметры Поле title Гидростанция ГС40-3/8-190/64(24)/ФС Поле h1 Гидростанция ГС40-3/8-190/64(24)/ФС Ценовые свойства Цена 0 Склады Общее количество на складах 0 Основные характеристики Старая цена 0 Описание Гидростанция (маслостанция) - это насосная установка, являющаяся источником гидравлической мощности с нерегулируемой подачей рабочей жидкости (РЖ) от электродвигателя переменного тока в комплекте с направляющим и регулирующим гидроаппаратом в соответствии с гидравлической схемой. Дистанционное электромагнитное управление потоком рабочей жидкости гидростанции осуществляется от источника переменного тока напряжением 220В или постоянного тока 24В. оригинальная цена 0 Изображения Картинка /images/cms/data/import_files/36/gidrostanciya_gs40-3_8-190_64_24_fs.jpg 1C: Специфические свойства Выгружать на сайт Производитель Максимальное рабочее давление (bar) Электродвигатель (кВт) Подача (л/мин) Объем гидробака (л) 1C: Общие свойства Идентификатор каталога 1С e866f885-8724-41d6-bbdc-e2414a10ed0c Идентификатор в 1С 368169b5-e522-11ee-9fe9-00155d00c800
Гидростанция ГС40-3/8-190/64(24)/ФС
В наличии
Цена: По запросу
Гидростанция ГС30-2,2/8-140/64(24)/ФС Объекты каталога Основные параметры Поле title Гидростанция ГС30-2,2/8-140/64(24)/ФС Поле h1 Гидростанция ГС30-2,2/8-140/64(24)/ФС Ценовые свойства Цена 0 Склады Общее количество на складах 0 Основные характеристики Старая цена 0 Описание Гидростанция (маслостанция) - это насосная установка, являющаяся источником гидравлической мощности с нерегулируемой подачей рабочей жидкости (РЖ) от электродвигателя переменного тока в комплекте с направляющим и регулирующим гидроаппаратом в соответствии с гидравлической схемой. Дистанционное электромагнитное управление потоком рабочей жидкости гидростанции осуществляется от источника переменного тока напряжением 220В или постоянного тока 24В. оригинальная цена 0 Изображения Картинка /images/cms/data/import_files/bf/gidrostanciya_gs30-2_2_8-140_64_24_fs.jpg 1C: Специфические свойства Выгружать на сайт Производитель Максимальное рабочее давление (bar) Электродвигатель (кВт) Подача (л/мин) Объем гидробака (л) 1C: Общие свойства Идентификатор каталога 1С e866f885-8724-41d6-bbdc-e2414a10ed0c Идентификатор в 1С bfcf2dae-e520-11ee-9fe9-00155d00c800
Гидростанция ГС30-2,2/8-140/64(24)/ФС
В наличии
Цена: По запросу
Гидростанция ГС30-2,2/6-190/64(230)/ФС Объекты каталога Основные параметры Поле title Гидростанция ГС30-2,2/6-190/64(230)/ФС Поле h1 Гидростанция ГС30-2,2/6-190/64(230)/ФС Ценовые свойства Цена 0 Склады Общее количество на складах 0 Основные характеристики Старая цена 0 Описание Гидростанция (маслостанция) - это насосная установка, являющаяся источником гидравлической мощности с нерегулируемой подачей рабочей жидкости (РЖ) от электродвигателя переменного тока в комплекте с направляющим и регулирующим гидроаппаратом в соответствии с гидравлической схемой. Дистанционное электромагнитное управление потоком рабочей жидкости гидростанции осуществляется от источника переменного тока напряжением 220В или постоянного тока 24В. оригинальная цена 0 Изображения Картинка /images/cms/data/import_files/7c/gidrostanciya_gs30-2_2_6-190_64_230_fs.jpg 1C: Специфические свойства Выгружать на сайт Производитель Максимальное рабочее давление (bar) Электродвигатель (кВт) Подача (л/мин) Объем гидробака (л) 1C: Общие свойства Идентификатор каталога 1С e866f885-8724-41d6-bbdc-e2414a10ed0c Идентификатор в 1С 7c5d174e-e51e-11ee-9fe9-00155d00c800
Гидростанция ГС30-2,2/6-190/64(230)/ФС
В наличии
Цена: По запросу
Гидростанция ГС30-1,5/6-130/1Р40/ФВ Объекты каталога Основные параметры Поле title Гидростанция ГС30-1,5/6-130/1Р40/ФВ Поле h1 Гидростанция ГС30-1,5/6-130/1Р40/ФВ Ценовые свойства Цена 0 Склады Общее количество на складах 0 Основные характеристики Старая цена 0 Описание Гидростанция (маслостанция) - это насосная установка, являющаяся источником гидравлической мощности с нерегулируемой подачей рабочей жидкости (РЖ) от электродвигателя переменного тока в комплекте с направляющим и регулирующим гидроаппаратом в соответствии с гидравлической схемой. Дистанционное электромагнитное управление потоком рабочей жидкости гидростанции осуществляется от источника переменного тока напряжением 220В или постоянного тока 24В. оригинальная цена 0 Изображения Картинка /images/cms/data/import_files/70/gidrostanciya_gs30-1_5_6-130_1r40_fv.jpg 1C: Специфические свойства Выгружать на сайт Производитель Максимальное рабочее давление (bar) Электродвигатель (кВт) Подача (л/мин) Объем гидробака (л) 1C: Общие свойства Идентификатор каталога 1С e866f885-8724-41d6-bbdc-e2414a10ed0c Идентификатор в 1С 70cad0f1-e510-11ee-9fe9-00155d00c800
Гидростанция ГС30-1,5/6-130/1Р40/ФВ
В наличии
Цена: По запросу
Гидростанция ГС20-1,5/5-160/1Р40/ФВ Объекты каталога Основные параметры Поле title Гидростанция ГС20-1,5/5-160/1Р40/ФВ Поле h1 Гидростанция ГС20-1,5/5-160/1Р40/ФВ Ценовые свойства Цена 0 Склады Общее количество на складах 0 Основные характеристики Старая цена 0 Описание Гидростанция (маслостанция) - это насосная установка, являющаяся источником гидравлической мощности с нерегулируемой подачей рабочей жидкости (РЖ) от электродвигателя переменного тока в комплекте с направляющим и регулирующим гидроаппаратом в соответствии с гидравлической схемой. Дистанционное электромагнитное управление потоком рабочей жидкости гидростанции осуществляется от источника переменного тока напряжением 220В или постоянного тока 24В. оригинальная цена 0 Изображения Картинка /images/cms/data/import_files/93/gidrostanciya_gs20-1_5_5-160_1r40_fv.jpg 1C: Специфические свойства Выгружать на сайт Производитель Максимальное рабочее давление (bar) Электродвигатель (кВт) Подача (л/мин) Объем гидробака (л) 1C: Общие свойства Идентификатор каталога 1С e866f885-8724-41d6-bbdc-e2414a10ed0c Идентификатор в 1С 93467ddb-e502-11ee-9fe9-00155d00c800
Гидростанция ГС20-1,5/5-160/1Р40/ФВ
В наличии
Цена: По запросу
Гидростанция ГС20-0.55/5-60/64(24)/ФВ Объекты каталога Основные параметры Поле title Гидростанция ГС20-0.55/5-60/64(24)/ФВ Поле h1 Гидростанция ГС20-0.55/5-60/64(24)/ФВ Ценовые свойства Цена 0 Склады Общее количество на складах 0 Основные характеристики Старая цена 0 Описание Гидростанция (маслостанция) - это насосная установка, являющаяся источником гидравлической мощности с нерегулируемой подачей рабочей жидкости (РЖ) от электродвигателя переменного тока в комплекте с направляющим и регулирующим гидроаппаратом в соответствии с гидравлической схемой. Дистанционное электромагнитное управление потоком рабочей жидкости гидростанции осуществляется от источника переменного тока напряжением 220В или постоянного тока 24В. оригинальная цена 0 Изображения Картинка /images/cms/data/import_files/6f/gidrostanciya_gs20-0_55_5-60_64_24_fv.jpg 1C: Специфические свойства Выгружать на сайт Производитель Максимальное рабочее давление (bar) Электродвигатель (кВт) Подача (л/мин) Объем гидробака (л) 1C: Общие свойства Идентификатор каталога 1С e866f885-8724-41d6-bbdc-e2414a10ed0c Идентификатор в 1С 6fe94cfc-e4f2-11ee-9fe9-00155d00c800
Гидростанция ГС20-0.55/5-60/64(24)/ФВ
В наличии
Цена: По запросу
Гидростанция ГС80-3/21-60/64-24/ГЗ-В/ДР/ФВ/ФС/KO Объекты каталога Основные параметры Поле title Гидростанция ГС80-3/21-60/64-24/ГЗ-В/ДР/ФВ/ФС/KO Поле h1 Гидростанция ГС80-3/21-60/64-24/ГЗ-В/ДР/ФВ/ФС/KO Ценовые свойства Цена 0 Склады Общее количество на складах 0 Основные характеристики Старая цена 0 Описание Гидростанция (маслостанция) - это насосная установка, являющаяся источником гидравлической мощности с нерегулируемой подачей рабочей жидкости (РЖ) от электродвигателя переменного тока в комплекте с направляющим и регулирующим гидроаппаратом в соответствии с гидравлической схемой. Дистанционное электромагнитное управление потоком рабочей жидкости гидростанции осуществляется от источника переменного тока напряжением 220В или постоянного тока 24В. оригинальная цена 0 Изображения Картинка /images/cms/data/import_files/4c/gidrostanciya_gs80-3_21-60_64-24_gz-v_dr_fv_fs_ko.jpg 1C: Специфические свойства Выгружать на сайт Производитель Максимальное рабочее давление (bar) Электродвигатель (кВт) Подача (л/мин) Объем гидробака (л) 1C: Общие свойства Идентификатор каталога 1С e866f885-8724-41d6-bbdc-e2414a10ed0c Идентификатор в 1С 4c5597eb-965a-11ee-9204-00155d00c800
Гидростанция ГС80-3/21-60/64-24/ГЗ-В/ДР/ФВ/ФС/KO
В наличии
Цена: По запросу
Гидростанция ГС80-4/18-100/64-24/КО/ФС Объекты каталога Основные параметры Поле title Гидростанция ГС80-4/18-100/64-24/КО/ФС Поле h1 Гидростанция ГС80-4/18-100/64-24/КО/ФС Ценовые свойства Цена 0 Склады Общее количество на складах 0 Основные характеристики Старая цена 0 Описание Гидростанция (маслостанция) - это насосная установка, являющаяся источником гидравлической мощности с нерегулируемой подачей рабочей жидкости (РЖ) от электродвигателя переменного тока в комплекте с направляющим и регулирующим гидроаппаратом в соответствии с гидравлической схемой. Дистанционное электромагнитное управление потоком рабочей жидкости гидростанции осуществляется от источника переменного тока напряжением 220В или постоянного тока 24В. оригинальная цена 0 Изображения Картинка /images/cms/data/import_files/a2/gidrostanciya_gs80-4_18-100_64-24_ko_fs.jpg 1C: Специфические свойства Выгружать на сайт Производитель Максимальное рабочее давление (bar) Электродвигатель (кВт) Подача (л/мин) Объем гидробака (л) 1C: Общие свойства Идентификатор каталога 1С e866f885-8724-41d6-bbdc-e2414a10ed0c Идентификатор в 1С a238e954-9426-11ee-9204-00155d00c800
Гидростанция ГС80-4/18-100/64-24/КО/ФС
В наличии
Цена: По запросу
Гидростанция ГС60-3/21-60/64-24/ГЗ-В/ДР/ФВ/ФС Объекты каталога Основные параметры Поле title Гидростанция ГС60-3/21-60/64-24/ГЗ-В/ДР/ФВ/ФС Поле h1 Гидростанция ГС60-3/21-60/64-24/ГЗ-В/ДР/ФВ/ФС Ценовые свойства Цена 0 Склады Общее количество на складах 0 Основные характеристики Старая цена 0 Описание Гидростанция (маслостанция) - это насосная установка, являющаяся источником гидравлической мощности с нерегулируемой подачей рабочей жидкости (РЖ) от электродвигателя переменного тока в комплекте с направляющим и регулирующим гидроаппаратом в соответствии с гидравлической схемой. Дистанционное электромагнитное управление потоком рабочей жидкости гидростанции осуществляется от источника переменного тока напряжением 220В или постоянного тока 24В. оригинальная цена 0 Изображения Картинка /images/cms/data/import_files/fb/gidrostanciya_gs60-3_21-60_64-24_gz-v_dr_fv_fs.jpg 1C: Специфические свойства Выгружать на сайт Производитель Максимальное рабочее давление (bar) Электродвигатель (кВт) Подача (л/мин) Объем гидробака (л) 1C: Общие свойства Идентификатор каталога 1С e866f885-8724-41d6-bbdc-e2414a10ed0c Идентификатор в 1С fb714ed2-3814-11ee-8402-00155d00c800
Гидростанция ГС60-3/21-60/64-24/ГЗ-В/ДР/ФВ/ФС
В наличии
Цена: По запросу
Приносим свои извинения, если:
описание, габариты, комплект поставки, технические характеристики, страна производства, коды производителей, внешний вид в описании и цвет товара оказались неточными. Просим Вас требовать у продавца предоставление дополнительной технической документации или проверки в Вашем присутствии или удаленно комплектации, а также наличие и работоспособность как интересующих Вас в товаре функций, так и товара в целом, до его оплаты.